Марка сталі: AD31 (Країна: Росія)
Країна: Росія
Стандарт: ГОСТ
Група матеріалу: Кольорові сплави
Матеріал: Алюміній
Опис матеріалу
| джерело | ISO 209: 2007 / Алюміній і алюминиевые сплавы. Хімічний склад |
| Комментарий | Хімічний склад деформованого алюмінію та алюмінієвих сплавів у межах сфери застосування цього міжнародного стандарту визначено в документі: |
| — Міжнародні позначення сплавів і ліміти хімічного складу для кованого алюмінію та кованих алюмінієвих сплавів (теал лист). | |
| джерело | ISO 6362-7: 2022 / Деформовані алюминий и алюминиевые сплавы. Екструдовані прутки/стержні, труби і профілі. Часть 7. Хімічний склад |
| джерело | ISO 6362-2: 2022 / Екструдовані прутки, труби та профілі з кованого алюмінію та алюмінієвих сплавів. Частина 2. Механічні властивості. |
| Комментарий | Хімічний склад згідно 6362-7. |
| Применение | Для загального машинобудування. |
| джерело | ISO 6363-2: 2022 / Деформований алюміній та алюмінієві сплави. Холоднотягнуті прутки, труби та дріт. Частина 2. Механічні властивості. |
| Комментарий | Застосовується до виробів, які екструдуються, а потім холодно витягуються. |
| Применение | Для загального машинобудування (крім авіаційних заклепок). |
Таблиці аналогів
| МАТЕРІАЛ | СТАНДАРТ | КРАЇНА / ВИРОБНИК | КАТЕГОРІЯ ЕКВІВАЛЕНТНОСТІ |
| AlMg0.7Si | ISO | Міжнародна | Офіційні |
| 1310 | GOST | Росія | Офіційні |
| AD31 | GOST | Росія | Офіційні |
| 6063 | AA | Сполучені Штати | Офіційні |
| Alloy 6063 | PROPRIETARY | Norsk Hydro ASA | Склад 100% |
| AS05 | PROPRIETARY | Otto Fuchs KG | Склад 100% |
| AS06 | PROPRIETARY | Otto Fuchs KG | Склад 100% |
| 6063 | AS | Австралія | Склад 100% |
| EN AW-6063 | ONORM | Австрія | Склад 100% |
| EN AW-AlMg0,7Si | ONORM | Австрія | Склад 100% |
| EN AW-6063 | NBN | Бельгія | Склад 100% |
| EN AW-AlMg0,7Si | NBN | Бельгія | Склад 100% |
| EN AW-6063 | BDS | Болгарія | Склад 100% |
| EN AW-AlMg0,7Si | BDS | Болгарія | Склад 100% |
| 6063 | NBR | Бразилія | Склад 100% |
| EN AW-6063 | B.S. | Великобританія | Склад 100% |
| EN AW-6063 | B.S. | Великобританія | Склад 100% |
| EN AW-AlMg0,7Si | DEFSTAN | Великобританія | Склад 100% |
| EN AW-6063 | DEFSTAN | Великобританія | Склад 100% |
| EN AW-AlMg0,7Si | DEFSTAN | Великобританія | Склад 100% |
| HE 9 | B.S. | Великобританія | Склад 100% |
| HF 9 | B.S. | Великобританія | Склад 100% |
| HG 9 | B.S. | Великобританія | Склад 100% |
| HT 9 | B.S. | Великобританія | Склад 100% |
| EN AW-6063 | MSZ | Угорщина | Склад 100% |
| EN AW-AlMg0,7Si | MSZ | Угорщина | Склад 100% |
| 6063 | VDTÜV | Німеччина | Склад 100% |
| AlMg 0,7 Si | VDTÜV | Німеччина | Склад 100% |
| EN AW-6063 | DIN | Німеччина | Склад 100% |
| EN AW-AlMg0,7Si | DIN | Німеччина | Склад 100% |
| EN AW-6063 | EN | Європейський Союз | Склад 100% |
| EN AW-AlMg0,7Si | EN | Європейський Союз | Склад 100% |
| AL-0.7MgSi | UNE | Іспанія | Склад 100% |
| EN AW-6063 | UNE | Іспанія | Склад 100% |
| EN AW-AlMg0,7Si | UNE | Іспанія | Склад 100% |
| L-3441 | UNE | Іспанія | Склад 100% |
| EN AW-6063 | UNI | Італія | Склад 100% |
| EN AW-AlMg0,7Si | UNI | Італія | Склад 100% |
| 6063 | GB | Китай | Склад 100% |
| 6063 | GB | Китай | Склад 100% |
| LD31 | GB | Китай | Склад 100% |
| A 6063 | KS | Корея | Склад 100% |
| A 6063 S | KS | Корея | Склад 100% |
| A 6063 T | KS | Корея | Склад 100% |
| 6063 | MS | Малайзія | Склад 100% |
| 6063 | NMX | Мексика | Склад 100% |
| EN AW-6063 | NEN | Нідерланди | Склад 100% |
| EN AW-AlMg0,7Si | NEN | Нідерланди | Склад 100% |
| EN AW-6063 | NS | Норвегія | Склад 100% |
| EN AW-AlMg0,7Si | NS | Норвегія | Склад 100% |
| Grade NV-6063 | DNV | Норвегія | Склад 100% |
| Grade VL-6063 | DNV | Норвегія | Склад 100% |
| EN AW-6063 | PN | Польща | Склад 100% |
| EN AW-AlMg0,7Si | PN | Польща | Склад 100% |
| EN AW-6063 | NP | Португалія | Склад 100% |
| EN AW-AlMg0,7Si | NP | Португалія | Склад 100% |
| AlMg0,7Si | GOST | Росія | Склад 100% |
| EN AW-6063 | ASRO | Румунія | Склад 100% |
| EN AW-AlMg0,7Si | ASRO | Румунія | Склад 100% |
| 6063 | SAE | Сполучені Штати | Склад 100% |
| 6063 | MIL | Сполучені Штати | Склад 100% |
| A96063 | UNS | Сполучені Штати | Склад 100% |
| AB 6063 | ABS | Сполучені Штати | Склад 100% |
| B 210 6063 | ASTM | Сполучені Штати | Склад 100% |
| B 221 6063 | ASTM | Сполучені Штати | Склад 100% |
| B 241 6063 | ASTM | Сполучені Штати | Склад 100% |
| B 275 6063 | ASTM | Сполучені Штати | Склад 100% |
| B 275 GS10A | ASTM | Сполучені Штати | Склад 100% |
| B 345 6063 | ASTM | Сполучені Штати | Склад 100% |
| B 429 6063 | ASTM | Сполучені Штати | Склад 100% |
| B 483 6063 | ASTM | Сполучені Штати | Склад 100% |
| B 491 6063 | ASTM | Сполучені Штати | Склад 100% |
| SB-210 6063 | ASME | Сполучені Штати | Склад 100% |
| SB-221 6063 | ASME | Сполучені Штати | Склад 100% |
| SB-241 6063 | ASME | Сполучені Штати | Склад 100% |
| EN AW-6063 | TS | Туреччина | Склад 100% |
| EN AW-AlMg0,7Si | TS | Туреччина | Склад 100% |
| EN AW-6063 | SFS | Фінляндія | Склад 100% |
| EN AW-AlMg0,7Si | SFS | Фінляндія | Склад 100% |
| EN AW-6063 | AFNOR NF | Франція | Склад 100% |
| EN AW-AlMg0,7Si | AFNOR NF | Франція | Склад 100% |
| EN AW-6063 | CSN | Чеська республіка | Склад 100% |
| EN AW-AlMg0,7Si | CSN | Чеська республіка | Склад 100% |
| EN AW-6063 | SNV | Швейцарія | Склад 100% |
| EN AW-AlMg0,7Si | SNV | Швейцарія | Склад 100% |
| EN AW-6063 | SS | Швеція | Склад 100% |
| EN AW-AlMg0,7Si | SS | Швеція | Склад 100% |
| EN AW-6063 | SANS | ПАР | Склад 100% |
| EN AW-Al Mg0,7Si | SANS | ПАР | Склад 100% |
| 6063 | JIS | Японія | Склад 100% |
| A 6063 BD | JIS | Японія | Склад 100% |
| A 6063 BE | JIS | Японія | Склад 100% |
| A 6063T | JIS | Японія | Склад 100% |
| 63S | PROPRIETARY | UACJ Corporation | Неявні |
| AS04 | PROPRIETARY | Otto Fuchs KG | Неявні |
| ETTAL-60 | PROPRIETARY | Eti Alüminyum | Неявні |
| GS05 | PROPRIETARY | UACJ Corporation | Неявні |
| EN AW-6060 | ONORM | Австрія | Склад 100% |
| EN AW-AlMgSi | ONORM | Австрія | Склад 100% |
| EN AW-6060 | NBN | Бельгія | Склад 100% |
| AlMgSi | ISO | Міжнародна | Неявні |
| EN AW-6060 | NEN | Нідерланди | Неявні |
| EN AW-AlMgSi | NEN | Нідерланди | Неявні |
| EN AW-6060 | NS | Норвегія | Неявні |
| EN AW-AlMgSi | NS | Норвегія | Неявні |
| EN AW-6060 | PN | Польща | Неявні |
| EN AW-AlMgSi | PN | Польща | Неявні |
| EN AW-6060 | NP | Португалія | Неявні |
| EN AW-AlMgSi | NP | Португалія | Неявні |
| 1350 | GOST | Росія | Неявні |
| 6063 | GOST | Росія | Неявні |
| AD35 | GOST | Росія | Неявні |
| EN AW-6060 | ASRO | Румунія | Неявні |
| EN AW-AlMgSi | ASRO | Румунія | Неявні |
| 6060 | AA | Сполучені Штати | Неявні |
| EN AW-6060 | TS | Туреччина | Неявні |
| EN AW-AlMgSi | TS | Туреччина | Неявні |
| EN AW-6060 | SFS | Фінляндія | Неявні |
| EN AW-AlMgSi | SFS | Фінляндія | Неявні |
| EN AW-6060 | AFNOR NF | Франція | Неявні |
Склад
| КРИТЕРІЙ | ЗНАЧЕННЯ | ОДИНИЦЯ | ПРИМІТКА | ПРИМІТКА | КРИТИЧНА СИРОВИНА/КОНФЛІКТНІ МІНЕРАЛИ |
| Al | Залишок | 7429-90-5 | — | ||
| Cr | ≤ 0.10 | % | 7440-47-3 | — | |
| Cu | ≤ 0.10 | % | 7440-50-8 | Вказано у переліку | |
| Fe | ≤ 0.35 | % | 7439-89-6 | — | |
| Mg | 0.45 – 0.9 | % | 7439-95-4 | Вказано у переліку | |
| Mn | ≤ 0.10 | % | 7439-96-5 | Вказано у переліку | |
| Other each | ≤ 0.05 | % | — | — | |
| Інші total | ≤ 0.15 | % | — | — | |
| Si | 0.20 – 0.6 | % | 7440-21-3 | Вказано у переліку | |
| Ti | ≤ 0.10 | % | 7440-32-6 | Вказано у переліку | |
| Zn | ≤ 0.10 | % | 7440-66-6 | — |
Механічні властивості
Межа текучості, Rp0.2 ≥ 55 МПа
Межа міцності ≥ 110 — 130 МПа
Відносне подовження, A ≥ 5 %
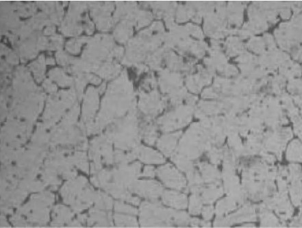
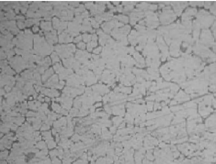
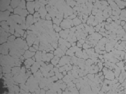
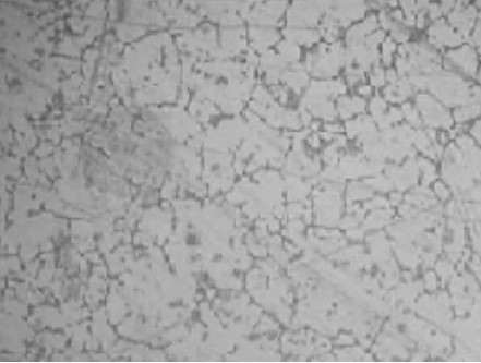
Металографія

Високотемпературне кручення при 180°C; УЗЗ (Ультрадрібнозерниста структура). Присутні нанорозмірні зміцнюючі фази Mg2Si із середнім розміром зерна 350 ± 15 нм.; Зображення ПЕМ (Просвітлювальна електронна мікроскопія).

Високотемпературне кручення при кімнатній температурі; УЗЗ (Ультрадрібнозерниста структура). Середній розмір зерна 350 ± 15 нм.; Зображення ПЕМ (Просвітлювальна електронна мікроскопія).

У литому стані; Розчин Келлера; Випробувальний зразок для лиття при низькому перегріві (LSC), взятий із центральної частини нижньої частини вихідного матеріалу. Стан LSC: Температура заливання: 665°C; Матеріал форми: низьковуглецева сталь; Без подрібнення зерна.

У литому стані; Розчин Келлера; Випробувальний зразок для лиття при низькому перегріві (LSC), взятий із центральної частини нижньої частини вихідного матеріалу. Стан LSC: Температура заливання: 665°C; Матеріал форми: низьковуглецева сталь; З подрібненням зерна.

У литому стані; Розчин Келлера; Випробувальний зразок для лиття при низькому перегріві (LSC), взятий із центральної частини нижньої частини вихідного матеріалу. Стан LSC: Температура заливання: 665°C; Матеріал форми: мідь; Без подрібнення зерна.

У литому стані; Розчин Келлера; Випробувальний зразок для лиття при низькому перегріві (LSC), взятий із центральної частини нижньої частини вихідного матеріалу. Стан LSC: Температура заливання: 665°C; Матеріал форми: мідь; З подрібненням зерна.

У литому стані; Розчин Келлера; Випробувальний зразок для лиття при низькому перегріві (LSC), взятий із центральної частини нижньої частини вихідного матеріалу. Стан LSC: Температура заливання: 665°C; Матеріал форми: нержавіюча сталь 304; Без подрібнення зерна.

У литому стані; Розчин Келлера; Випробувальний зразок для лиття при низькому перегріві (LSC), взятий із центральної частини нижньої частини вихідного матеріалу. Стан LSC: Температура заливання: 665°C; Матеріал форми: нержавіюча сталь 304; З подрібненням зерна.

У литому стані; Розчин Келлера; Випробувальний зразок для лиття при низькому перегріві (LSC), взятий із центральної частини нижньої частини вихідного матеріалу. Стан LSC: Температура заливання: 685°C; Матеріал форми: низьковуглецева сталь; Без подрібнення зерна.

У литому стані; Розчин Келлера; Випробувальний зразок для лиття при низькому перегріві (LSC), взятий із центральної частини нижньої частини вихідного матеріалу. Стан LSC: Температура заливання: 685°C; Матеріал форми: низьковуглецева сталь; З подрібненням зерна.

У литому стані; Розчин Келлера; Випробувальний зразок для лиття при низькому перегріві (LSC), взятий із центральної частини нижньої частини вихідного матеріалу. Стан LSC: Температура заливання: 685°C; Матеріал форми: мідь; Без подрібнення зерна.

У литому стані; Розчин Келлера; Випробувальний зразок для лиття при низькому перегріві (LSC), взятий із центральної частини нижньої частини вихідного матеріалу. Стан LSC: Температура заливання: 685°C; Матеріал форми: мідь; З подрібненням зерна.

У литому стані; Розчин Келлера; Випробувальний зразок для лиття при низькому перегріві (LSC), взятий із центральної частини нижньої частини вихідного матеріалу. Стан LSC: Температура заливання: 685°C; Матеріал форми: нержавіюча сталь 304; Без подрібнення зерна.

У литому стані; Розчин Келлера; Випробувальний зразок для лиття при низькому перегріві (LSC), взятий із центральної частини нижньої частини вихідного матеріалу. Стан LSC: Температура заливання: 685°C; Матеріал форми: нержавіюча сталь 304; З подрібненням зерна.

