Марка сталі: AlMn1Cu (Країна: Міжнародний)
Країна: Міжнародний
Стандарт: ISO
Група матеріалу: Кольорові сплави
Матеріал: Алюміній
Опис матеріалу
| джерело | ISO 209: 2007 / Алюміній і алюминиевые сплавы. Хімічний склад |
| Комментарий | Хімічний склад деформованого алюмінію та алюмінієвих сплавів у межах сфери застосування цього міжнародного стандарту визначено в документі: |
| — Міжнародні позначення сплавів і ліміти хімічного складу для кованого алюмінію та кованих алюмінієвих сплавів (теал лист). | |
| джерело | ISO 6362-7: 2022 / Деформовані алюминий и алюминиевые сплавы. Екструдовані прутки/стержні, труби і профілі. Часть 7. Хімічний склад |
| джерело | ISO 6361-5: 2011 / Листи, стрічки та плити з деформованого алюмінію та алюмінієвих сплавів. Часть 5. Хімічний склад |
| джерело | ISO/TR 2136: 1977 / Алюміній і алюминиевые сплавы деформируемые. Прокатные изделия. Механические свойства.; Отменено |
| джерело | ISO/TR 2778: 1977 / Алюміній і алюминиевые сплавы деформируемые. Трубы тянутые. Механические свойства.; Замінено: ISO 6363-2:1993 |
| джерело | ISO 6361-2: 2014 / Листи, стрічки та плити з деформованого алюмінію та алюмінієвих сплавів. Часть 2. Механічні властивості |
| Комментарий | Хімічний склад відповідно до ISO 6361-5. |
| джерело | ISO 6362-2: 2022 / Екструдовані прутки, труби та профілі з кованого алюмінію та алюмінієвих сплавів. Частина 2. Механічні властивості. |
| Комментарий | Хімічний склад згідно 6362-7. |
| Применение | Для загального машинобудування. |
| джерело | ISO 6363-2: 2022 / Деформований алюміній та алюмінієві сплави. Холоднотягнуті прутки, труби та дріт. Частина 2. Механічні властивості. |
| Комментарий | Застосовується до виробів, які екструдуються, а потім холодно витягуються. |
| Применение | Для загального машинобудування (крім авіаційних заклепок). |
Таблиці аналогів
| МАТЕРІАЛ | СТАНДАРТ | КРАЇНА / ВИРОБНИК | КАТЕГОРІЯ ЕКВІВАЛЕНТНОСТІ |
| AlMn1Cu | ISO | Міжнародна | Офіційні |
| 3003 | AA | Сполучені Штати | Офіційні |
| AM 3003 | Власність | Valimet Inc. | Склад 100% |
| Pipelite 303 HP | Власність | Aleris | Склад 100% |
| 3003 | AS | Австралія | Склад 100% |
| AlMnCu | ONORM | Австрія | Склад 100% |
| EN AW-3003 | ONORM | Австрія | Склад 100% |
| EN AW-AlMn1Cu | ONORM | Австрія | Склад 100% |
| EN AW-3003 | NBN | Бельгія | Склад 100% |
| EN AW-AlMn1Cu | NBN | Бельгія | Склад 100% |
| EN AW-3003 | BDS | Болгарія | Склад 100% |
| EN AW-AlMn1Cu | BDS | Болгарія | Склад 100% |
| 3003 | NBR | Бразилія | Склад 100% |
| Alclad 3003 | NBR | Бразилія | Склад 100% |
| Alclad one side 3003 | NBR | Бразилія | Склад 100% |
| Alclad two side 3003 | NBR | Бразилія | Склад 100% |
| EN AW-3003 | B.S. | Великобританія | Склад 100% |
| EN AW-AlMn1Cu | B.S. | Великобританія | Склад 100% |
| EN AW-3003 | MSZ | Угорщина | Склад 100% |
| EN AW-AlMn1Cu | MSZ | Угорщина | Склад 100% |
| 3.0517 | DIN | Німеччина | Склад 100% |
| AlMn1Cu | VDTÜV | Німеччина | Склад 100% |
| AlMnCu | Німеччина | Склад 100% | |
| EN AW-3003 | DIN | Німеччина | Склад 100% |
| EN AW-3003 | Німеччина | Склад 100% | |
| EN AW-AlMn1Cu | VDTÜV | Німеччина | Склад 100% |
| EN AW-3003 | DIN | Німеччина | Склад 100% |
| EN AW-3003 | EN | Європейський Союз | Склад 100% |
| EN AW-AlMn1Cu | EN | Європейський Союз | Склад 100% |
| Al-MnCu | Іспанія | Склад 100% | |
| EN AW-3003 | UNE | Іспанія | Склад 100% |
| EN AW-AlMn1Cu | UNE | Іспанія | Склад 100% |
| L-3810 | UNE | Іспанія | Склад 100% |
| 3003 | UNI | Італія | Склад 100% |
| EN AW-3003 | UNI | Італія | Склад 100% |
| EN AW-AlMn1Cu | UNI | Італія | Склад 100% |
| P-AlMn1.2Cu | UNI | Італія | Склад 100% |
| 3003 | GJB | Китай | Склад 100% |
| 3003 | Китай | Склад 100% | |
| 3003 | KS | Корея | Склад 100% |
| A 3003 | KS | Корея | Склад 100% |
| A 3003 H | KS | Корея | Склад 100% |
| A 3003 S | KS | Корея | Склад 100% |
| A 3003 T | KS | Корея | Склад 100% |
| A3003P | KS | Корея | Склад 100% |
| AlMn1Cu | KS | Корея | Склад 100% |
| 3003 | MS | Малайзія | Склад 100% |
| 3003 | NMX | Мексика | Склад 100% |
| EN AW-3003 | NEN | Нідерланди | Склад 100% |
| EN AW-AlMn1Cu | NEN | Нідерланди | Склад 100% |
| EN AW-3003 | NS | Норвегія | Склад 100% |
| EN AW-AlMn1Cu | NS | Норвегія | Склад 100% |
| EN AW-3003 | PN | Польща | Склад 100% |
| EN AW-AlMn1Cu | PN | Польща | Склад 100% |
| EN AW-3003 | NP | Португалія | Склад 100% |
| EN AW-AlMn1Cu | NP | Португалія | Склад 100% |
| 1400 | GOST | Росія | Склад 100% |
| 3003 | GOST | Росія | Склад 100% |
| AlMn1Cu | GOST | Росія | Склад 100% |
| AMts | GOST | Росія | Склад 100% |
| EN AW-3003 | ASRO | Румунія | Склад 100% |
| EN AW-AlMn1Cu | ASRO | Румунія | Склад 100% |
| 3003 | SAE | Сполучені Штати | Склад 100% |
| 3003 | MIL | Сполучені Штати | Склад 100% |
| A93003 | UNS | Сполучені Штати | Склад 100% |
| Alclad 3003 | SAE | Сполучені Штати | Склад 100% |
| Alclad One Side 3003 | SAE | Сполучені Штати | Склад 100% |
| B 209 3003 | ASTM | Сполучені Штати | Склад 100% |
| B 209 Alclad 3003 | ASTM | Сполучені Штати | Склад 100% |
| B 210 3003 | ASTM | Сполучені Штати | Склад 100% |
| B 210 Alclad 3003 | ASTM | Сполучені Штати | Склад 100% |
| B 211 3003 | ASTM | Сполучені Штати | Склад 100% |
| B 221 3003 | ASTM | Сполучені Штати | Склад 100% |
| B 221 Alclad 3003 | ASTM | Сполучені Штати | Склад 100% |
| B 234 3003 | ASTM | Сполучені Штати | Склад 100% |
| B 234 Alclad 3003 | ASTM | Сполучені Штати | Склад 100% |
| B 247 3003 | ASTM | Сполучені Штати | Склад 100% |
| B 275 3003 | ASTM | Сполучені Штати | Склад 100% |
| B 275 M1A | ASTM | Сполучені Штати | Склад 100% |
| B 313 3003 | ASTM | Сполучені Штати | Склад 100% |
| B 316 3003 | ASTM | Сполучені Штати | Склад 100% |
| B 345 3003 | ASTM | Сполучені Штати | Склад 100% |
| B 345 Alclad 3003 | ASTM | Сполучені Штати | Склад 100% |
| B 404 3003 | ASTM | Сполучені Штати | Склад 100% |
| B 404 Alclad 3003 | ASTM | Сполучені Штати | Склад 100% |
| B 483 3003 | ASTM | Сполучені Штати | Склад 100% |
| B 491 3003 | ASTM | Сполучені Штати | Склад 100% |
| B 547 3003 | ASTM | Сполучені Штати | Склад 100% |
| B 547 Alclad 3003 | ASTM | Сполучені Штати | Склад 100% |
| B 632 3003 | ASTM | Сполучені Штати | Склад 100% |
| B 736 3003 | ASTM | Сполучені Штати | Склад 100% |
| B 744 3003 | ASTM | Сполучені Штати | Склад 100% |
| B 744 Alclad 3003 | ASTM | Сполучені Штати | Склад 100% |
| SB-209 3003 | ASME | Сполучені Штати | Склад 100% |
| SB-209 Alclad 3003 | ASME | Сполучені Штати | Склад 100% |
| SB-210 3003 | ASME | Сполучені Штати | Склад 100% |
| SB-210 Alclad 3003 | ASME | Сполучені Штати | Склад 100% |
| SB-211 3003 | ASME | Сполучені Штати | Склад 100% |
| SB-221 3003 | ASME | Сполучені Штати | Склад 100% |
| SB-221 Alclad 3003 | ASME | Сполучені Штати | Склад 100% |
| SB-234 3003 | ASME | Сполучені Штати | Склад 100% |
| SB-234 Alclad 3003 | ASME | Сполучені Штати | Склад 100% |
| SB-241 3003 | ASME | Сполучені Штати | Склад 100% |
| SB-241 Alclad 3003 | ASME | Сполучені Штати | Склад 100% |
| SB-247 3003 | ASME | Сполучені Штати | Склад 100% |
| EN AW-3003 | TS | Туреччина | Склад 100% |
| EN AW-AlMn1Cu | TS | Туреччина | Склад 100% |
| EN AW-3003 | SFS | Фінляндія | Склад 100% |
| EN AW-AlMn1Cu | SFS | Фінляндія | Склад 100% |
| 3003 | AFNOR NF | Франція | Склад 100% |
| A-M1 | AFNOR NF | Франція | Склад 100% |
| Al-Mn1Cu | AFNOR NF | Франція | Склад 100% |
| EN AW-3003 | AFNOR NF | Франція | Склад 100% |
| EN AW-AlMn1Cu | AFNOR NF | Франція | Склад 100% |
| EN AW-3003 | CSN | Чеська республіка | Склад 100% |
| EN AW-AlMn1Cu | CSN | Чеська республіка | Склад 100% |
| EN AW-3003 | SNV | Швейцарія | Склад 100% |
| EN AW-AlMn1Cu | SNV | Швейцарія | Склад 100% |
| EN AW-3003 | SS | Швеція | Склад 100% |
| EN AW-AlMn1Cu | SS | Швеція | Склад |
| EN AW-3003 | SANS | ПАР | Склад 100% |
| EN AW-Al Mn1Cu | SANS | ПАР | Склад 100% |
| 3003 | JIS | Японія | Склад 100% |
| A 3003 BD | JIS | Японія | Склад 100% |
| A 3003 BE | JIS | Японія | Склад 100% |
| A 3003 TW | JIS | Японія | Склад 100% |
| A 3003 TWA | JIS | Японія | Склад 100% |
| A 3003 W | JIS | Японія | Склад 100% |
| A 3003H | JIS | Японія | Склад 100% |
| A 3003P | JIS | Японія | Склад 100% |
| A 3003T | JIS | Японія | Склад 100% |
| 303S | PROPRIETARY | UACJ Corporation | Неявні |
| 403S | PROPRIETARY | UACJ Corporation | Неявні |
| AG15 | PROPRIETARY | Otto Fuchs KG | Неявні |
| AG18 | PROPRIETARY | Otto Fuchs KG | Неявні |
| Aluminum 3003-O | PROPRIETARY | HSM Wire International, Inc. | Неявні |
| ETTAL-30 | PROPRIETARY | Eti Alüminyum | Неявні |
| FA7827 | PROPRIETARY | Gränges AB | Неявні |
| Formalex Plus | PROPRIETARY | Constellium | Неявні |
| MF12 | PROPRIETARY | UACJ Corporation | Неявні |
Склад
| КРИТЕРІЙ | ЗНАЧЕННЯ | ОДИНИЦЯ | ПРИМІТКА | НОМЕР CAS | КРИТИЧНА СИРОВИНА/КОНФЛІКТНІ МІНЕРАЛИ |
| Al | % | Залишок | 7429-90-5 | — | |
| Cr | 0.18 – 0.28 | % | 7440-47-3 | — | |
| Cu | 1.2 – 2.0 | % | 7440-50-8 | Вказано в переліку | |
| Fe | ≤ 0.50 | % | 7439-89-6 | — | |
| Mg | 2.1 – 2.9 | % | 7439-95-4 | Вказано в переліку | |
| Mn | ≤ 0.30 | % | 7439-96-5 | Вказано в переліку | |
| Інші кожен | ≤ 0.05 | % | — | ||
| Інші всього | ≤ 0.15 | % | — | ||
| Si | ≤ 0.40 | % | 7440-21-3 | Вказано в переліку | |
| Ti | ≤ 0.20 | % | 7440-32-6 | Вказано в переліку | |
| Ti+Zr | ≤ 0.25 | % | Вказано в переліку | ||
| Zn | 5.1 – 6.1 | % | 7440-66-6 | — |
Механічні властивості
Межа текучості, Rp0.2 ≥ 35 МПа
Межа міцності ≥ 95 — 205 МПа
Відносне подовження, A ≥ 1 %
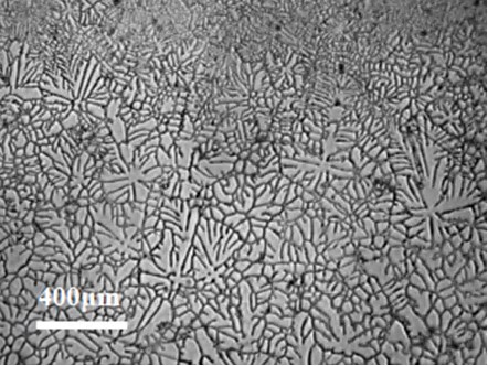
Металографія

У литому стані; 10% Фосфорна кислота.

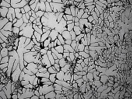
Віка

Гартоване; Дрібнозерниста структура; HF розчин (0,5 мл HF у 100 мл води); З додаванням 0,02% Zn.

Гартоване; Дрібнозерниста структура; HF розчин (0,5 мл HF у 100 мл води); З додаванням 0,47% Si.

Гартоване; Дрібнозерниста структура; HF розчин (0,5 мл HF у 100 мл води); З додаванням 1,4% Zn.

Гартоване; Дрібнозерниста структура; HF розчин (0,5 мл HF у 100 мл води); З додаванням 1,9% Si.

Гартоване; Дрібнозерниста структура; HF розчин (0,5 мл HF у 100 мл води); З додаванням 2,5% Zn.

Гартоване; Дрібнозерниста структура; HF розчин (0,5 мл HF у 100 мл води); З додаванням 2,5% Zn.